Istituto Superiore per la Protezione
e la Ricerca Ambientale

Cerca

Mesozoic-cenozoic stratigraphy in the Umbria-Marche area

Geological field trips in the Umbria-Marche Apennines (Italy)

The book illustrates, through three geological itineraries, the sequence of sedimentary events that have taken place in the Marche-Umbria in the interval between the Upper Triassic and Miocene. The proposed itineraries allow the "visit" of stratigraphic sections in which are well exposed the litho and the biostratigraphic units that characterize the Marche and Umbria succession.

NOTE: In some chapters are quoted images related to other chapters. For this reason, at the bottom of the "Summary" has been inserted a table with the links to all the quoted images.

 

Available only in electronic format

SGN
Technical Periodicals
Memorie Descrittive della Carta geologica d'Italia
Vol. 39/1989
978-88-240-2295-5
0536-0242
Summary

Index

Preface

Part I: GEOLOGIC FRAMEWORK

1 - Introduction

1.1. - The Umbria-Marche arcuate fold belt (G. Lavecchia and G. Pialli)

1.2. - Triassic-Giurassic stratigraphy (S. Cresta)

1.3. - Cretaceous-Paleogene stratigraphy (G. Parisi)

1.4. - Miocene stratigraphy (G. Cantalamessa, E. Centamore, U. Chiocchini, A. Micarelli, M. Potetti and L. Di Lorito)

1.5. - Geomorphological features of the area comprised between Northeastern Umbria and Marche region (C. Cattuto, C. Cencetti and L. Gregori)

Parte II - FIELD TRIPS

2. - Field trip I: from Gubbio to Sassoferrato

2.1. - From Gubbio to Scheggia (G. Parisi, A. Baldanza and S. Monechi)

2.1.1. - Calpionellids in the Maiolica formation (A. Micarelli and M. Potetti)

2.1.2. - Early Cretaceous to Late Eocene calcareous nannofossils in the Bottaccione section (S. Monechi)

2.1.3. - The "Livello Bonarelli" in the Umbria-Marche area (G. Parisi, F. Piergiovanni and M. Marcucci)

2.2. - From Scheggia to Sassoferrato (V. Reale, A. Baldanza and S. Cresta)

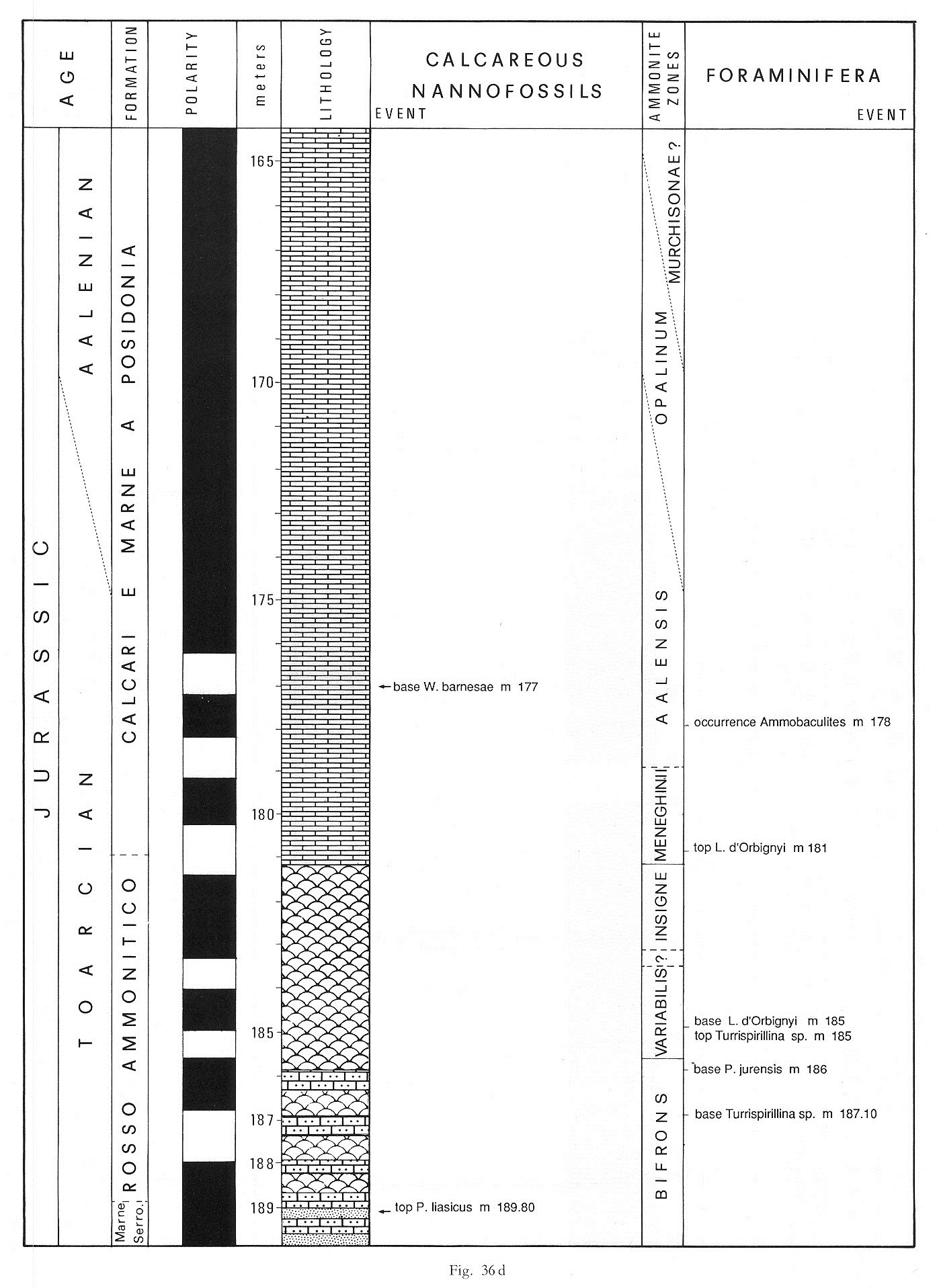
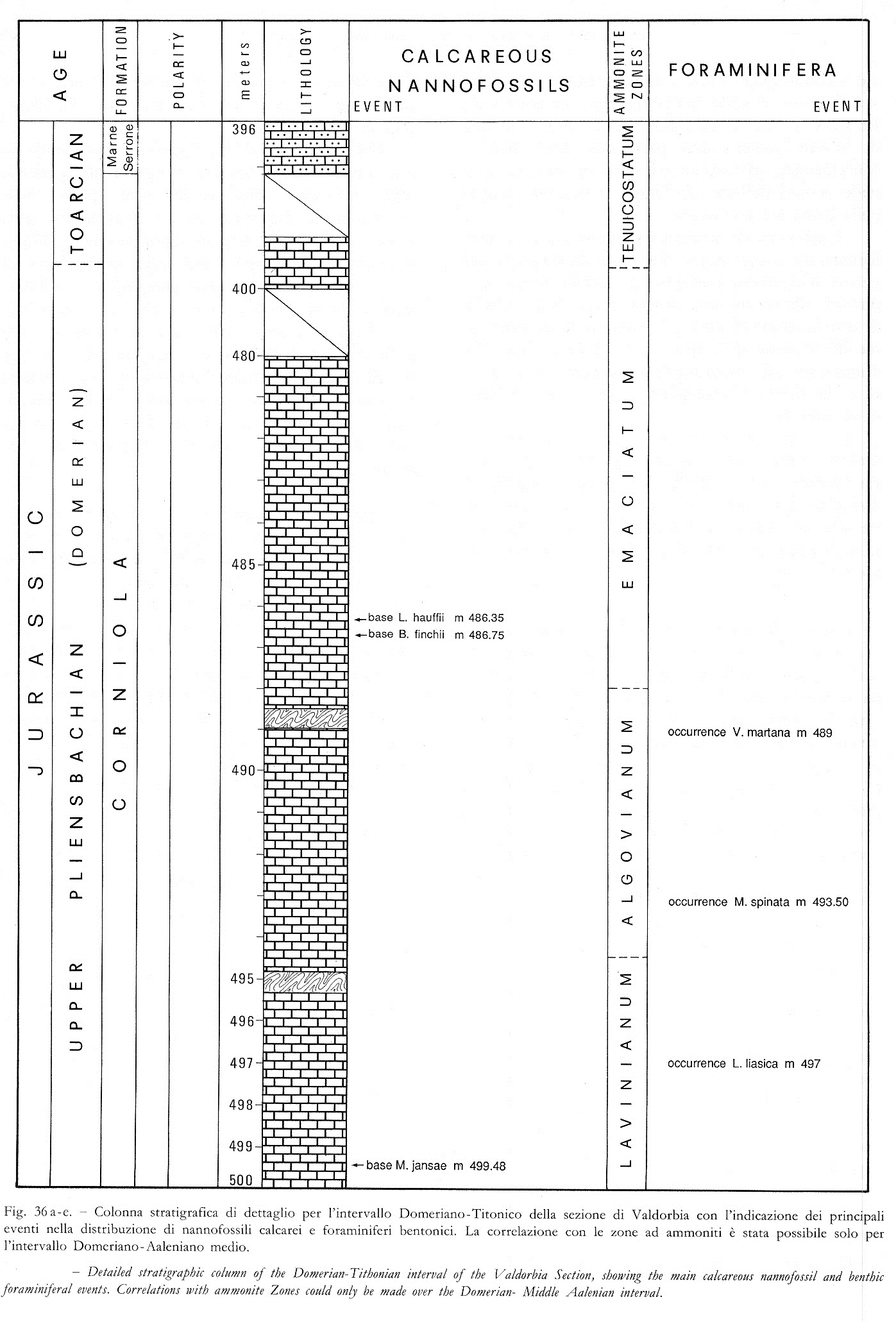
2.2.1. - Jurassic calcareous nannofossil and bentic foraminifera of the Valdorbia section (V. Reale)

2.2.2. - Jurassic ammonite assemblage of the Valdorbia section (S. Cresta, G. Pallini and F. Venturi)

3. - Field trip II: from Gubbio to Fossombrone

3.1. - From Gubbio to Cantiano (S. Monechi and G. Parisi)

3.1.1. - Late Cretaceous to early Oligocene calcareous nannofossils in the Contessa section (S. Monechi)

3.2. - From Cantiano to Fossombrone (S. Cresta)

4. - Field trip III: from Cagli to Acqualagna (The Monte Nerone area and the Apecchiese road)

4.1. - Jurassic to Early Cretaceous in the Bosso River section (F. Cecca, S. Cresta, G. Pallini and M. Santantonio)

4.2. - Calcareous nannofossils and Calpionellids of the Maiolica in the Bosso river section (S. Monechi)

4.3. - The Jurassic of Monte Nerone: an example of platform-basin depositional system in a pelagic environment (F. Cecca, S. Cresta, G. Pallini and M. Santantonio)

4.4. - The Fosso Bugarone quarry: type section of the Bugarone formation (S. Cresta)

4.5. - The Scisti a Fucoidi in the Umbria-Marche area: the Apecchiese road sections (E. Erba, R. Coccioni and I. Premoli Silva)

5. - The type section of Marne di Monte Serrone formation: stratigraphic analysis based on ammonites, calcareous nannofossils and foraminifera assemblages (A. Baldanza)

Bibliography

fig. 1 fig. 30 fig. 31 fig. 32 fig. 34 fig. 36 a-e fig. 36 d fig. 36 e fig. 38 fig. 45 fig. 46 fig. 54
fig. 57 fig. 58 fig. 59 fig. 60 fig. 65 fig. 66 fig. 67 fig. 68 fig. 70 fig. 71 fig. 87