Istituto Superiore per la Protezione
e la Ricerca Ambientale

Cerca

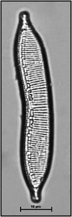
Hannaea arcus (Ehrenberg) Patrick in Patrick & Reimer, 1966

Scheda 104

Occhrophyta> Bacillariophyceae> Fragilariales> Fragilariaceae> Hannea>

Le valve sono a forma di semiluna e si restringono gradualmente verso i poli, con apici rostrati e capitati. Il lato ventrale è concavo e presenta un rigonfiamento nella zona centrale, quello dorsale è convesso. È visibile lo pseudo rafe nella stretta area assiale. L'area centrale è presente solo sul margine ventrale in prossimità del rigonfiamento.

Le strie sono parallele, sul lato dorsale in prossimità della zona centrale possono essere leggermente più corte, sono a volte visibili sulla sezione ialina della zona centrale.

 

Lunghezza: 15-150 μm

Larghezza: 4-8 μm

Numero di strie: 13-18 in 10 μm

 

Ecologia:

predilige acque oligotrofiche, con basso inquinamento organico e prossime alla neutralità o alcaline.

 


Sinonimi:

Ceratoneis arcus (Ehrenberg) Kutz,. 1844

Fragilaria arcus (Ehrenberg) Cleve, 1898

Navicula arcus Ehrenberg, 1838

 

Vetrino di Riferimento:54


Fiume: Fosso Gravone

Località: Casale San Nicola (42°28'54,19"N, 13°36'09,10"E)

HER: 13

Macrotipo fluviale: M4

Data campionamento: 20/01/2011

Substrato di campionamento: ciottoli