Istituto Superiore per la Protezione
e la Ricerca Ambientale

Cerca

Stratigrafia del Mesozoico e Cenozoico nell'area Umbro-Marchigiana

Itinerari geologici sull'Appennino Umbro-Marchigiano (Italia)

Il volume illustra, attraverso tre itinerari geologici, la successione degli eventi sedimentari che si sono succeduti nell’area umbro-marchigiana nell’intervallo di tempo compreso tra il Triassico superiore e il Miocene. Gli itinerari proposti consentono la “visita” delle sezioni stratigrafiche nelle quali sono ben esposte le unità lito e biostratigrafiche che caratterizzano la successione umbro-marchigiana.

N.B.: In alcuni capitoli si fa riferimento ad immagini presenti in altri capitoli. Per questo motivo, in fondo al "Sommario" è stata inserita una tabella con i links a tutte le immagini citate.

 

Disponibile solo in formato elettronico

SGN
Periodici tecnici
(Periodici tecnici) Memorie descrittive della Carta Geologica d'Italia
Vol. 39/1989
978-88-240-2295-5
0536-0242

 

Indice

Premessa

Parte I: INQUADRAMENTO GEOLOGICO

1 - Introduzione

1.1. - Il sistema arcuato a pieghe umbro-marchigiano (G. Lavecchia e G. Pialli)

1.2. - Stratigrafia del Triassico-Giurassico (S. Cresta)

1.3. - Stratigrafia del Cretacico-Paleogene (G. Parisi)

1.4. - Stratigrafia del Miocene (G. Cantalamessa, E. Centamore, U. Chiocchini, A. Micarelli, M. Potetti e L. Di Lorito)

1.5. - Elementi geomorfologici dell'area compresa tra l'Umbria nord-orientale e la regione marchigiana (C. Cattuto, C. Cencetti e L. Gregori)

Parte II - ITINERARI

2. - Itinerario I: da Gubbio a Sassoferrato

2.1. - Da Gubbio a Scheggia (G. Parisi, A. Baldanza e S. Monechi)

2.1.1. - I Calpionellidi nella formazione della Maiolica (A. Micarelli e M. Potetti)

2.1.2. - Nannofossili calcarei nella sezione cretacico-paleogenica del Bottaccione (S. Monechi)

2.1.3. - Il "Livello Bonarelli" nell'area umbro-marchigiana (G. Parisi, F. Piergiovanni e M. Marcucci)

2.2. - Da Scheggia a Sassoferrato (V. Reale, A. Baldanza e S. Cresta)

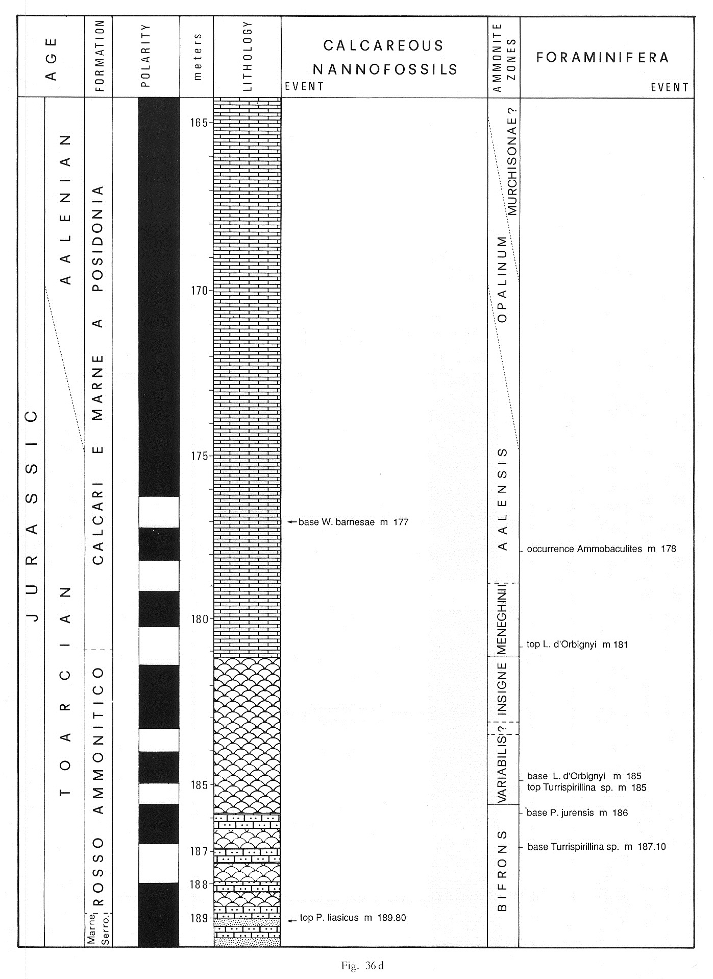
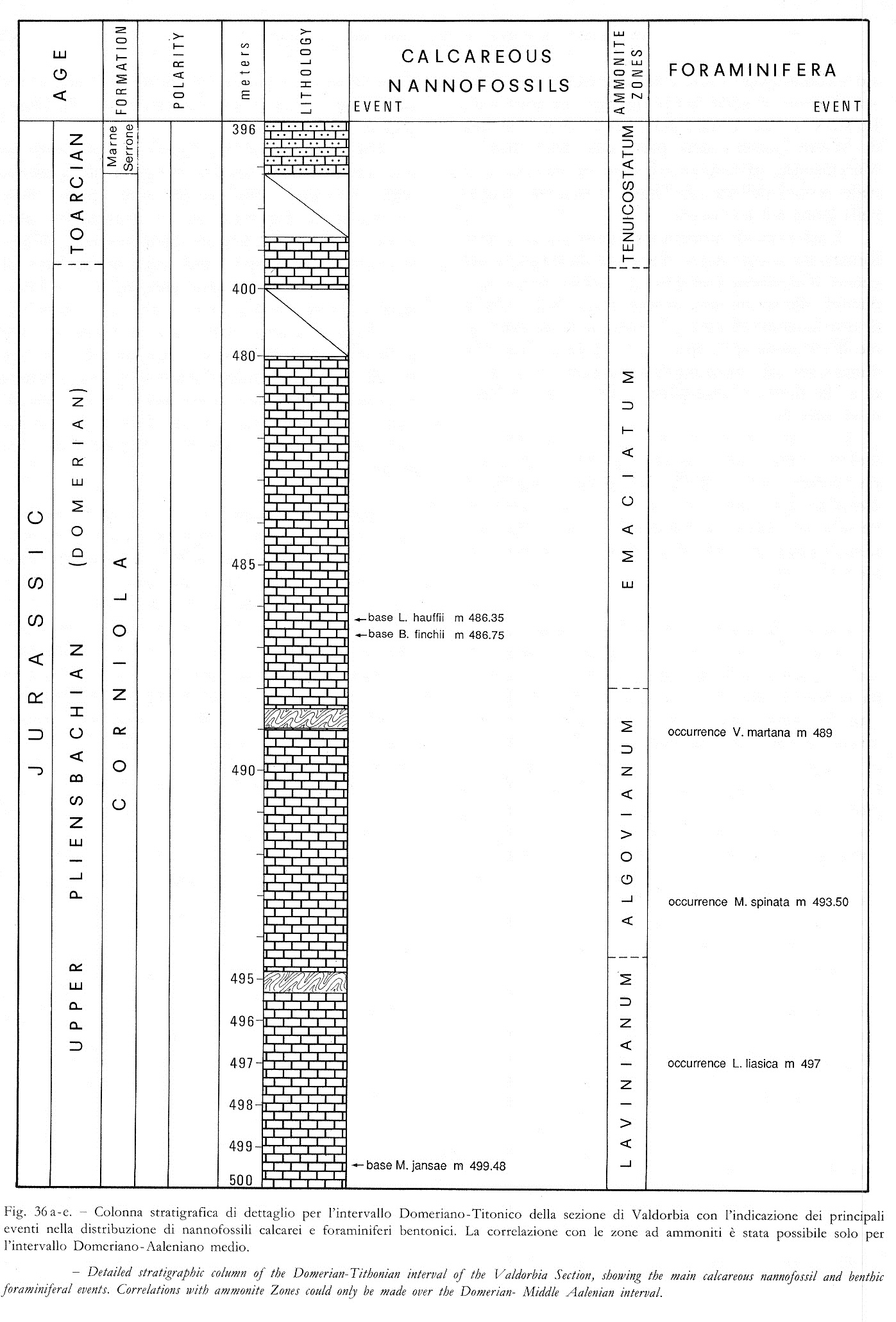
2.2.1. - Nannofossili calcarei e foraminiferi nella sezione giurassica di Valdorbia (V. Reale)

2.2.2. - Associazioni ad ammoniti nella sezione giurassica di Valdorbia (S. Cresta, G. Pallini e F. Venturi)

3. - Itinerario II: da Gubbio a Fossombrone

3.1. - Da Gubbio a Cantiano (S. Monechi e G. Parisi)

3.1.1. - Nannofossili calcarei e foraminiferi planctonici nella sezione cretatico-paleogenica della Valle della Contessa (S. Monechi)

3.2. - Da Cantiano a Fossombrone (S. Cresta)

4. - Itinerario III: da Cagli ad Acqualagna (L'area di Monte Nerone e la S.S. Apecchiese)

4.1. - La sezione del Torrente Bosso (F. Cecca, S. Cresta, G. Pallini e M. Santantonio)

4.2. - Nannofossili calcarei e Calpionellidi della Maiolica nella sezione del Torrente Bosso (S. Monechi)

4.3. - Il Giurassico di Monte Nerone: un esempio di sistema piattaforma-bacino in ambiente pelagico (F. Cecca, S. Cresta, G. Pallini e M. Santantonio)

4.4. - La cava del Fosso Bugarone: sezione tipo della formazione del Bugarone (S. Cresta)

4.5. - Gli Scisti a Fucoidi nell'area umbro-marchigiana: le sezioni della S.S. Apecchiese (E. Erba, R. Coccioni e I. Premoli Silva)

5. - La sezione tipo delle Marne di Monte Serrone. Analisi stratigrafica delle associazioni ad ammoniti, nannofossili calcarei e foraminiferi (A. Baldanza)

Bibliografia

fig. 1 fig. 30 fig. 31 fig. 32 fig. 34 fig. 36 a-e fig. 36 d fig. 36 e fig. 38 fig. 45 fig. 46 fig. 54
fig. 57 fig. 58 fig. 59 fig. 60 fig. 65 fig. 66 fig. 67 fig. 68 fig. 70 fig. 71 fig. 87